

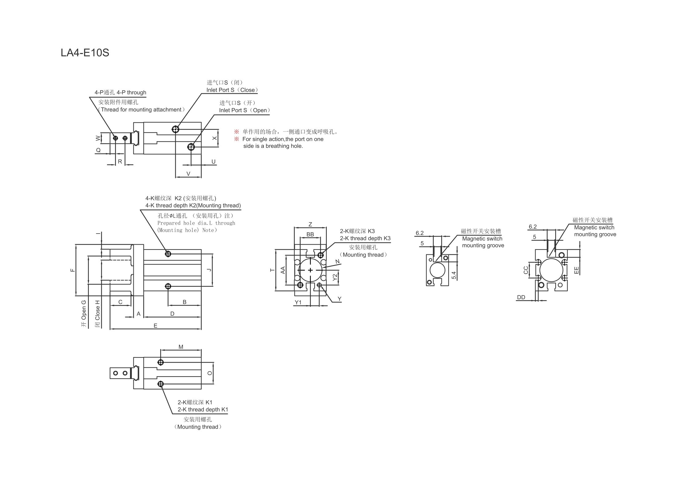
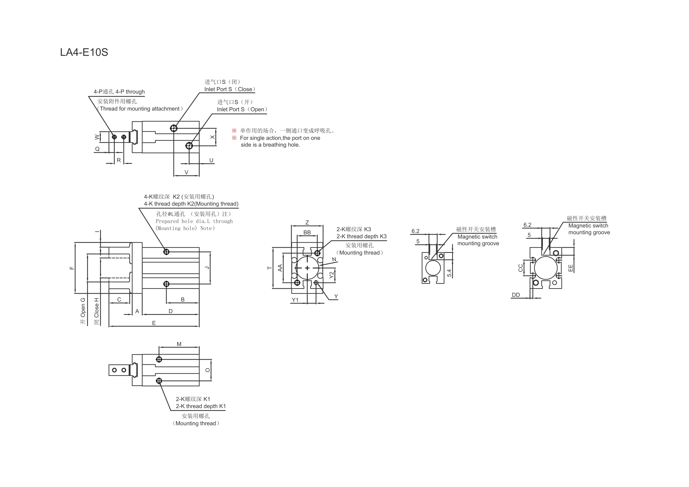
| Model | Action mode | Opening force N | closing force N | stroke (mm) | Weight |
|
0
|
Singleaction | 7.1 | 7.1 | 4 | 53g |
|
0
|
Double action | 11 | 17 | 4 | 52.5g |
|
0
|
Singleaction | 27 | 27 | 6 | 123g |
|
0
|
Double action | 34 | 45 | 6 | 120g |
|
0
|
Singleaction | 33 | 33 | 10 | 227g |
|
0
|
Double action | 42 | 66 | 10 | 225g |
